г. Вологда, ул. Горького, 39а.
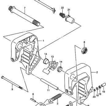
зажимной кронштейн в сборе Б\У SUZUKI DF15A-9.9-20ЛС\41111-89L00-0EP\
4 250 руб.
7000 руб.
Артикул:
3685
Наличие товара:
в наличии
Вид техники:
Лодочные моторы
Категория запчасти:
Кузов
Марка:
SUZUKI
оем 41111-89L00-0EP\41121-89L00-0EP\ подходит на DF9.9A DF15A
DF20A
подходит на DF9.9A DF15A
DF20A
цена за комплект по отдельным частям цена по согласованию












